* 저는 기계공학 전공자이지만, 졸업한지 2년이 넘어 전공지식은 가물가물한 상태였습니다.
** 해당 공부법은 실패할 가능성이 있는 단기 속성 공부법입니다. 취업 및 공무원 시험을 앞두고 반드시 자격증을 취득하셔야 하는 분들에게는 추천드리지 않습니다.
안녕하세요, 에벤입니다 :)
이전 필기 공부법이 많은 분들에게 도움이 되었다고 들어 부족하지만 실기 공부법도 작성해보려 합니다.
위에서 언급했듯이 이 공부법은 단기 속성 공부법이기에 단순 참고로만 활용하시길 바랍니다!!
※ 해당 글에서 공유드릴 자료들은 누군가 많은 시간을 할애해 작성한 소중한 자료들(공식노트, 캐드 강의 등)입니다. 해당 링크 방문 시 따뜻한 댓글 부탁드립니다 :)
개요 및 공부 전략
실기 시험을 처음 접하시는 분들은 필기와 같이 나무 위키로 시험에 대한 기본 사항을 숙지하시기 바랍니다.
일반기계기사 - 나무위키
필기시험은 각 과목당 20문항, 총 5과목 100문항이 출제되며 과목당 40점을 넘기고 평균 60점을 넘기면 합격한다. 시험 시간은 총 2시간 30분이 주어지며, CBT로 한꺼번에 출제된다. 사실상 한 과목당
namu.wiki
저는 아래와 같은 기준을 세우고 공부 전략을 세웠습니다.
1) 양질의 자료를 최대한 탐색한 후에 공부를 시작하자 (세상엔 능력자분들이 많습니다.)
2) 시간을 최대한 적게 투입하자 (퇴근 후 공부는 힘듭니다..ㅠㅠ)
3) 수기로 필기하지 말자 (제가 글 쓰는 속도가 느리고 악필입니다.)
실행
1. 필답형
- 시험일 : '20.11/29
- 공부 기간 : '20.11/21~11/28 (8일)
- 공부 시간 : 약 15시간
공부 순서는 다음과 같습니다.
1) 공식 암기 (약 7시간)
일반기계기사 실기 필답형 공식 정리 (출제빈도 포함) (~21년 1회)
최종 수정: 2021-05-09 최초 작성: 2017-03-16 - 빈출 공식 위주로 정리. - 2002년~2021년 출제빈도 및 빈...
blog.naver.com
3706님이 대분류별 출제 횟수부터 그림이 포함된 공식까지 일목요연하게 정리해놓으신 자료입니다. 저는 이 자료를 프린트해서 빈도가 높은 출제 횟수 순서대로 암기를 진행했습니다. 목차를 보고 해당 요소에 대한 공식이 바로 생각날 수 있을 때까지 암기를 한 후에 문제풀이를 진행했습니다.
- 나사
- 키, 스플라인, 핀, 코터
- 리벳 이음
- 용접 이음
- 축
- 축 이음
- 베어링
- 마찰차
- 기어
- 감아걸기전동요소
- 브레이크
- 스프링
- 관, 플라이휠
위 대분류를 보시자마자 관련한 공식들을 백지 노트에 쓰실 수 있을 정도로 공식을 암기하셔야 수월한 문제풀이가 가능합니다. 처음에는 암기가 쉽지 않으시겠지만 반복적으로 외우시면 충분히 암기하실 수 있습니다!
일반기계기사 필답형
www.youtube.com
이 영상은 Raf기계스토리님이 필답형 공식과 원리를 요약하여 설명하신 강의자료입니다. 공식 암기를 진행하며 2배속으로 빠르게 강의를 들으시면 암기 효율을 높일 수 있습니다. 설명도 정말 정말 잘하십니다..!!!
처음에는 정말... 하나도 안외워집니다. 아무리 기계를 전공했어도 원리 이해와 공식 암기는 다른 차원의 문제입니다. 하지만 짬짬이 시간내서 암기하다보면 어느새 금방 외워지니 두려워하지 마시고 우선 자료를 프린트하고 강의와 함께 보시면서 외워보세요!!
다르게 생각하면 필기와 달리 단순 공식 암기만으로 60점 이상 취득이 가능한 시험 유형이기에 공부 후에는 오히려 필기보다 쉽다는 생각이 들었습니다.
2) 문제 풀이 (약 8시간)
일반기계기사 건설기계 설비기사 필답형 실기(2021) - 교보문고
전 과목 핵심 이론 강의 무료 제공 | 『일반기계기사 건설기계 설비기사 필답형 실기(2021)』은 〈나사의 원리 및 나사의 각부 명칭〉, 〈나사의 역학〉, 〈나사의 설계〉, 〈나사산의 각을 가지
www.kyobobook.co.kr
필기 때와 달리 이번에는 위을복형님의 책이 아닌 세진북스에서 출판한 문제집을 풀었습니다. 을복형님 책보다는 비교적 문제풀이가 상세하게 적혀있다고 판단했고 때마침 당근마켓에서 저렴하게 팔고 있어서... 바로 구매했습니다.
문제는 총 2개년치 정도만 풀었고, 햇갈리는 기계 요소의 경우에는 해당 부분만 따로 문제를 더 풀었습니다. 만약 암기만 제대로 되어있다면 1개년치만 풀어도 '아... 필답형은 정말 그냥 암기 시험이구나...'하고 생각이 드실겁니다. 그래도 공식을 문제에 적용하는 연습을 할 필요가 있으니 2개년치 이상 푸시는 것을 추천드립니다.
2. 작업형
- 시험일 : '20.11/16
- 공부 기간 : '20.11/2~11/25 (14일)
- 공부 시간 : 약 25시간
작업형은 독학으로 처음 시작할 땐 정말 막막합니다. 필기, 필답형 모두 비교적 순탄케 공부했던 저도 작업형은 여러 시행착오를 겪은 끝에 공부를 제대로 시작할 수 있었습니다. 하지만 이 글을 읽으시는 분들께선 그 막막함과 시행착오를 조금이라도 더셨으면하는 바램으로 공부 순서와 참고 자료를 자세히 적으니 꼭 도움이 되시길 바랍니다...!!
1) 시험 이해 (2시간)
- 문제 예시
(출처)

- 답변 예시
(출처)


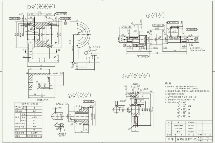
작업형은 위 문제 예시와 같이 도면이 주어지면 이를 머릿 속으로 3D 투상하고 자로 치수를 잰 후 캐드 툴을 활용해서 답변 예시와 같은 상세 도면(2D, 3D 모두)을 작성하여 제출하는 시험입니다.
기계과 학생들은 한 번쯤은 오토캐드, 인벤터 혹은 카티아를 다뤄보셨을거라 생각합니다. 저는 카티아는 사용해본적이 있으나 오토캐드, 인벤터는 사용해본 적이 없었습니다. 하지만 대부분의 교육 자료들이 2D는 오토캐드, 3D는 인벤터를 기준으로 작성되어 있었기에 오토캐드, 인벤터로 시험을 보기로 결정하였습니다.
2) 도면 틀 작성 (3시간)
- 오토캐드
- 인벤터
[도면템플릿] #1. 2D & 3D 도면 틀 만들기 | 인벤터로 쉽고 빠르게 만들어보자💨💨💨 | [일반기계
요약 : 인벤터로 이렇게나 쉽게 만든다고? 도면 템플릿 쉽고 빠르게 만드는법! 홍교수가 알려드립니다💨 학습에 필요한 강의자료 & 추천영상은 영상 하단의 더보기(▼) Click! ⏩Timeline 00:00 인트
youtu.be
도면틀이란 일반기계기사 도면 답안지 템플릿이라고 생각하시면 됩니다. 이조차도 처음에 작성할 땐 해매기 마련입니다. 위 두 영상을 통해 오토캐드 및 인벤터의 기본 작동법과 단축키를 익힐 수 있습니다. 이 두 영상을 천천히 돌려보시면서 직접 따라하시고 스스로 템플릿을 작성해보시기 바랍니다.
3) 기출풀이 영상 따라하기 (20시간)
작업형은 크게 동력전달장치, 치공구로 나뉘어집니다. 전 아직도 이 둘의 본질적인 차이를 잘모릅니다... 그저 동력전달장치가 더 그리기 쉽고 치공구는 모두들 기출되지 않기를 바란다는 것 밖에는.. 하지만 근래 들어 이전에 비해 치공구 또한 출제 빈도가 늘고 있기 때문에 두 유형 모두 그릴 줄 알아야 합니다. (저도 치공구가 출제됬습니다.)
기본적으로 문제풀이 순서는 다음과 같습니다.
투상 → 3D 모델링 → 3D 모델을 2D 도면으로 투사 → 2D 도면 치수 기입
저는 DC튜브님과 홍교수님 영상을 중심으로 기출풀이 영상을 따라하며 문제에 익숙해졌습니다. 아래는 DC튜브님과 홍교수님의 영상입니다. 참고한 영상을 모두 공유하기보다는 개인 이해도에 따라 해당 채널에서 필요한 영상을 선별해서 들으시는 편이 더 도움이 될 듯하여 두 영상 링크만 공유합니다.
DC튜브님은 '일반기계기사 실기 무료강좌' 시리즈, 홍교수님은 '[2021] Lv1. 과제도면 소개' 재생 리스트를 추천드립니다.
- 동력전달장치 본체 3D 모델링
일반기계기사 실기 무료강좌 0️⃣2️⃣ 『1.본체』 인벤터 강좌 (전산응용기계제도기능사/기계
안녕하세요 『기계설계의 감성을 디자인』하는 자격증의모든것DC 입니다. 국가시험의 60% 이상의 출제 빈도를 보이는 동력전달장치입니다. 본체 같은 경우 적용되는 베어링 치수는 KS 규격 집에
youtu.be
- 치수기입
일반기계기사 실기 "2D답안도면" 치수기입 & 도면해독 (자격증의모든것DC)
🧭 CHAPTER 🧭 00:00 인트로 00:52 치수기입 21:07 지름 / 끼워맞춤 공차 32:50 본체 37:35 본체 - 끼워맞춤공차 43:33 본체 - 거칠기 50:39 본체 - 데이텀 53:00 본체 - 기하공차 01:01:50 풀리 - 거칠기 01:06:12 풀리
youtu.be
- 동력전달장치 기출풀이
[Lv1. 동력전달장치] 1강. 소개 Intro | 일반기계기사 홍교수 👨🏫
👨👩👦 단체카톡방 URL : https://open.kakao.com/o/gj8iI3Ub (함께 공부할 학생들만💙 광고, 홍보❌ 잡담,욕설⛔) 🎁 학습자료 구매 ㆍ[2021] Lv.1 동력전달장치 패키지 https://smart
youtu.be
4) 기출 스스로 풀어보기 (15시간)
여기까지 오셨으면 절반 이상은 오신 겁니다... (정말 수고 많으셨습니다ㅠㅠ)
이제 실제 기출문제를 스스로 투상해보고 직접 작업한 후 답안 도면을 추출하셔야 합니다.
- 도서
전산응용(CAD) 기계제도 실기 출제도면집(2021) - 교보문고
일반기계기사/ 기계설계산업기사/ 전산응용기계제도기능사 실기 대비 | 이 책은 기계설계제도의 기본에서 기하공차 적용 부분까지 자격증취득은 물론 실무에서도 활용할 수 있도록 심도 있게
www.kyobobook.co.kr
제가 사용한 도면집입니다. 저는 시간이 없어서 동력전달장치 1개, 치공구 1개만 직접 그려봤고, 나머지는 머릿 속으로 투상만 진행했습니다. 캐드 조작법만 익숙해지셨다면 여러개를 직접 그려보는 것보다는 여러 도면을 투상하며 투상력을 기르는 것이 더 효율적인 공부법이라고 생각합니다. 물론... 시간이 있으시면 모두 그려보시는 걸 추천드립니다.
- 참고 자료
일반기계기사 실기 작업형 요약 정리 + 캐드 단축키 정리
최종 수정: 2021-07-22 최초 작성: 2016-11-20 문서 열기 암호: 3706 - 작업형 시험 순서대로 요약 하던건...
blog.naver.com
3706님께서 작업형 관련 요약 정리를 해놓으셨습니다. 문제를 풀다보면 주서, 거칠기 기호 등 여러 자잘하게 신경쓸 부분들이 많은데 이를 모두 정리해놓으셔서 저는 이를 프린트한 후 항상 같이 보면서 공부를 진행했습니다.
(세상에는 참 능력있는 분들이 많습니다..)
결과
필답형 80점 이상, 작업형 70점 이상으로 일반기계기사에 합격했습니다... ㅠㅠ
필기를 준비할 때만 해도 가벼운 마음으로 시작을 했지만 시험이 진행되고 내년 취업이 다가오며 나름의 중압감을 느끼며 공부를 했습니다. 결과적으로는 운이 따라줘서 합격을 했고, 이력서에 한 줄이라도 더 적을 수 있었다는 사실에 감사했습니다.

취업, 공무원 시험, 자기 계발 등 여러가지 이유로 기사 시험을 준비하시는 분들이 많습니다. 제가 겪은 시행착오가 여러분에게 조금이라도 도움이 되기를 바랍니다. 무엇보다 3706, 홍교수, DC 등 여러 능력자분들이 귀중한 자료를 공유해주신 덕분에 저도 합격을 할 수 있었고 이 글도 쓰여질 수 있었다고 생각합니다. 방문하셔서 따봉과 댓글 꼭 부탁드립니다!!
혹시 궁금하신 점이나 수정해주실 부분이 있다면 댓글 부탁드립니다. 여러분의 소중한 댓글은 제게 힘이 됩니다 :)
'커리어' 카테고리의 다른 글
| 현대자동차 채용 사이트 - 채용 공고, 직무 소개, 복지 정보 등 (0) | 2022.04.19 |
|---|---|
| 삼성 채용 사이트 - 3급~5급, 경력, 인턴 공고 (0) | 2022.04.19 |
| LG에너지솔루션 면접 예상 질문 - 재택근무에 대해 어떻게 생각하시나요? (0) | 2022.04.15 |
| 삼성SDI 면접 예상 질문 - 회사의 조직문화에 대해 알고 있는게 있나요? (0) | 2022.04.15 |
| 일반기계기사 필기 공부법 - 단기속성, 3주, 30시간, 합격 후기 (22) | 2021.01.23 |
댓글